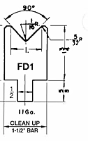
90 Degree Forming Punches and Dies

Have one to sell?
ConditionNew
1 available