Through the use of cornering mirrors, multiple sides or work envelopes can be guarded which enhance safety and reduce downtime related to mechanical and electrical interlock systems.
Include a 5% reflectivity loss per mirror when calculating total scanning distance of light curtain.
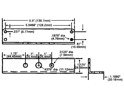
NOTE: Mirrors are surface coated. Wipe surface using only a damp, clean, soft 100% cotton cloth. To replace: remove the end bracket, slide out the mirror with the gasket.
We use cookies to improve your experience. Privacy Policy.